首 页
新闻中心
政府文件
专项工作
政务公开
网上办事
信息服务
省科技厅权责清单
云南省科技厅首页
>
通知公告
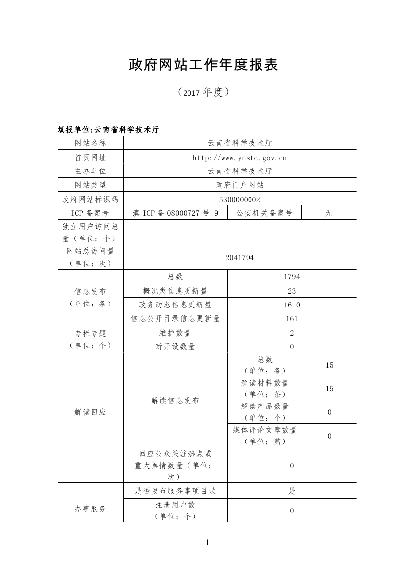
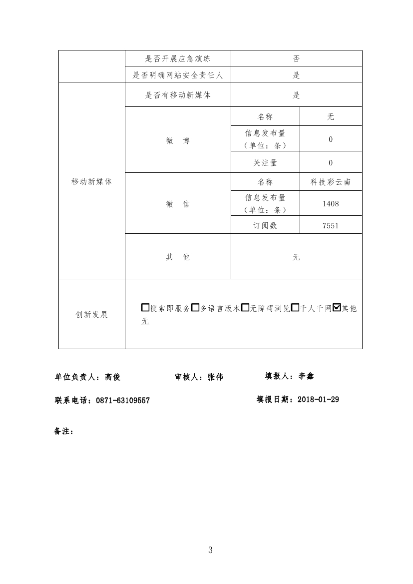
bet36体育娱乐官网政府网站工作年度报表(2017年度)
2018-01-30
[
大
] [
中
] [
小
]
[关闭]